Novinky
03.12.2025
TRX-4 Nissan Pathfinder 1988 1:10 RTR
Novinka od Traxxas u nás na prodejně. TRX-4 Nissan Pathfinder 1988 1:10 RTR
Expediční RC model auta TRX-4 v měřítku 1:10 s detailní bezsponkovou a of...
číst celé
10.05.2023
Eshop v novém
Přávě jsme rozběhli novou verzi eshopu www.reichard.cz . Jsme rádi, že vám po dlouhé době nabídneme mnohem přehlednější a pohodlnější nakupování.
číst celé
Blog
01.11.2024
Lipol baterie Robbe
S radostí Vám představujeme Li-Pol baterie Robbe, které nově nabízíme u nás na prodejně. Rozšířili jsme sortiment.
číst celé
- Úvod
- Spalovací motory
- Benzínové
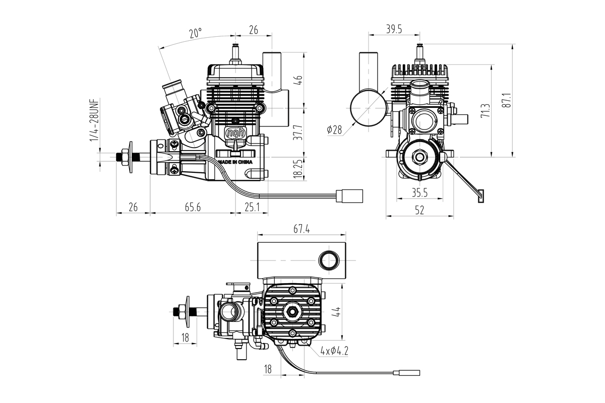
- NGH GT9-PRO Dvoutaktní benzinový motor
NGH GT9-PRO Dvoutaktní benzinový motor
- Kompletní specifikace
- Hodnocení 0
NGH GT9-PRO Dvoutaktní benzinový motordostupné do 3 dnů 4 ks5 490 Kč/ ks4 537 Kč bez DPH
Kompletní specifikace
Letecký benzinový dvoutaktní jednoválcový motor s objemem 9ccm a výkonem 1,2 koně (0,89kw) při 11 000ot/min. Doporučený provoz na N95 v poměru 20:1 s plně syntetickým 2T olejem.
KAVAN Europe s.r.o. s potěšením představuje benzínové motory NGH. Jejich výrobce Changsha Guanghua Aviation Technology Co., Ltd. se již stal celosvětově proslulým svými cenově dostupnými motory. Jsou od základu konstruované pro modelářské použití, vyznačují se kvalitním dílenským zpracováním, vysokým výkonem a spolehlivým chodem, čemuž napomáhají i elektronická zapalování RCEXL®.
Dvoutakty si můžete pořídit v široké škále kubatur od malého 9 ccm, který v modelu nahradí „žhavíka“ 6,5-8,5 ccm, po 130 ccm dvouválec do obřího modelu.
| Zdvihový objem [ccm] | 9 |
| Vrtání [mm] | 23.3 |
| Zdvih [mm] | 21 |
| Provozní otáčky [ot./min] | 2000 - 11000 |
| Výkon [HP] | 1.2 |
| Výkon motoru [W] | 890 |
| Tahová síla [kg] | 3.8 |
| Hmotnost [g] | 435 |
| Hmotnost zapalování [g] | 100 |
| Typ jiskřivé svíčky | 1/4-32 |
| Napájení zapalování [V] | 6 - 14.4 |
| Doporučená vrtule | Dvoulistá 11x6 ; 11x7 ; 12x6 |
Zboží zařazeno v kategoriích





