- Úvod
- Spalovací motory
- Žhavící
- Pro letadla
- Čtyřtaktní
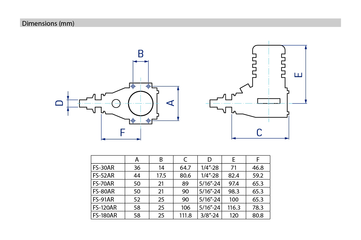
- KAVAN FS70AR 4T kroužkový 11,50ccm
KAVAN FS70AR 4T kroužkový 11,50ccm
- Kompletní specifikace
- Hodnocení 0
KAVAN FS70AR 4T kroužkový 11,50ccmdostupné do 3 dnů 4 ks6 490 Kč/ ks5 364 Kč bez DPH
Čtyřdobé motory KAVAN představují vynikající volbu pro rekreační sportovní, akrobatické modely a makety letadel. Vyznačují se spolehlivým chodem a velmi snadným nastavováním; jsou to v tom nejlepším smyslu slova „spotřební“ motory, které si může dovolit pořídit a provozovat každý příznivec hlubokého „bafání“ čtyřtaktů. A pokud jim budete věnovat přiměřenou péči, budou vaše modely spolehlivě pohánět po dlouhé roky.
KAVAN FS-70AR je čtyřdobý motor s ventilovým rozvodem konstruovaný pro modely letadel všeho druhu, zvláště vhodný je pro RC makety. Je osazen dvoujehlovým RC karburátorem se sytičem; v základní sestavě je dodáván rovněž expanzní tlumič výfuku.
Kliková hřídel má závit pro matici vrtule UNF 5/16-24, v základní sestavě motoru je dodávána sada pojistné matice pro spolehlivé upevnění vrtule.
Doporučené rozměry vrtulí:
Záběh: 12×6"
Sport a Akrobat: 11×9", 12×7"
Maketa: 13×6", 14×6"
Doporučená palivová nádrž: 300–350 ml.
Doporučené palivo: KAVAN 4T Air 5 % nitro pro záběh a běžný provoz, po záběhu můžete používat i KAVAN 4T Air 10 % nitro nebo 15 % nitro. Paliva s ricínovým olejem by měla obsahovat nejméně 18 % ricínového oleje (popř. směsi syntetického a ricínového oleje) a 5–15 % nitromethanu. (Ačkoliv čtyřtakty KAVAN mohou dobře fungovat i na nenitrované „FAI“ palivo, doporučujeme používat palivo s aspoň malým obsahem nitromethanu – chod motoru je poté opravdu vysoce spolehlivý a nastavení karburátoru je snadnější a méně citlivé na změny teploty a jiné vlivy okolního prostředí.)
Doporučená svíčka: KAVAN GP-1, O.S. MAX typ F, KAVAN Premium No.4T.
Sada motoru obsahuje: motor s RC karburátorem a klapkou sytiče, expanzní tlumič s přechodkou, návod.
| Zdvihový objem [ccm] | 11.5 |
| Počet válců | 1 |
| Vrtání [mm] | 25.8 |
| Zdvih [mm] | 22 |
| Provozní otáčky [ot./min] | 2000 - 11000 |
| Výkon motoru (11000RPM) [kW] | 1.05 |
| Hmotnost [g] | 606 |
| Doporučený objem nádrže [ml] | 300 - 350 |
| Závit matice vrtule | 5/16 UNF |



