HV70 (0.06s/60°, 3.1kg.cm)
- Kompletní specifikace
- Hodnocení 0
HV70 (0.06s/60°, 3.1kg.cm)dostupné do 3 dnů > 5 ks1 690 Kč/ ks1 397 Kč bez DPH
Velmi silné a velmi rychlé programovatelné digitální mikroservo s titanovými převody s výstupní hřídelí uloženou v kluzném pouzdře. Díky přesným předepjatým převodům s minimálními vůlemi a ploché krabičce s výškou 7 mm je zvláště vhodné pro ovládání křidélek a klapek v RC házedlech F3K, malých větroních a motorových modelech s tenkými profily křídla, jako jsou F5D modely pro závody okolo pylonů. Pro dokonalé chlazení i při vysokém zatížení je servo uloženo v hliníkové krabičce s patkami pro montáž na plocho.
Rozšířené napájecí napětí 3,7-7,4 V (jmenovité), provozní 3,5-8,4 V.
S pomocí programátoru DSP-2 pro digitální serva MKS můžete programovat celou řadu parametrů serva:
Neutral (Neutrál): Nastavuje šířku řídících impulsů v neutrálu/středové poloze serva.
Max_PWM (Max. šířka impulsu): Horní hranice šířky řídících impulsů a tomu odpovídající velikost výchylky serva bude omezena touto hodnotou.
Min_PWM (Min. šířka impulsu): Spodní hranice šířky řídících impulsů a tomu odpovídající velikost výchylky serva bude omezena touto hodnotou.
Reverse (Reverzace): Obrací smysl výchylky serva.
Dead_Band (Pásmo necitlivosti): Šířka pásma necitlivosti udává velikost změny šířky impulsů řídícího signálu, při níž ještě nedochází ke změně polohy výstupní hřídele/páky serva.
CMD_Lost (Zapnout Fail-safe): V případě ztráty řídícího signálu servo přejde do přednastavené nouzové polohy odpovídající hodnotě „CMD_Position“ (Nouzová výchylka).
CMD_Position (Nouzová výchylka): Je-li zapnuta volba „CMD_Lost“ (Zapnout Fail-safe), nastavuje nouzovou výchylku serva v případě ztráty signálu
CMD_Time (Vyčkávací doba): Servo přejde na nouzovou výchylku „CMD_Position“ po uplynutí času „CMD Time“ (Vyčkávací doba) v případě ztráty signálu
Soft_Start (Měkký start): Po zapnutí napájení servo přechází pomalu do výchozí pozice odpovídající řídícímu signálu.
L_Angle (Úhel vlevo): Max. velikost výchylky serva vlevo.
R_Angle (Úhel vpravo): Max. velikost výchylky serva vlevo.
Servo_Power (Max. záběr): Míra záběru motoru bude omezena touto hodnotou - omezuje max. výkon motoru serva.
Speed_Enable (Nastavitelná rychlost): Umožňuje omezení rychlosti serva.
Speed_Limit (Omezení rychlosti): Nastavuje omezení rychlosti serva.
Lock (Uzamknout): Nastavení chování serva, pokud nedostává řídící signál - Udržuje pozici odpovídající poslednímu přijatému signálu / Motor je volný, servo neudržuje žádnou pozici.
Boost (Rozběh): Síla motoru při rozběhu z klidu. Čím větší hodnota, s tím větší silou se motor rozbíhá.
UPOZORNĚNÍ
NEPOKOUŠEJTE se servo protáčet rukou.Vzhledem k tomu, že převody serva jsou velmi přesné a jemné, při instalaci páky serva se ji nepokoušejte natlačit na výstupní hřídel serva - jinak hrozí nebezpečí poškození převodů.Správný postup: Páku serva přiložte k tisícihranu na výstupní hřídeli serva - ale nenasazujte ji na hřídel. Páku serva držte prsty a potom opatrně zašroubujte upevňovací šroub páky, čímž páku nasunete na výstupní hřídel. Při demontáži páky postupujte stejně opatrně.
| Velikost serva | Micro |
| Typ serva | Digitální |
| Programovatelný | Ano |
| Tah při 3,7 V [kg∙cm] | 1.5 |
| Tah při 4,8 V [kg∙cm] | 2 |
| Tah při 6,0 V [kg∙cm] | 2.6 |
| Tah při 7,4 V [kg∙cm] | 2.9 |
| Tah při 8,2 V [kg∙cm] | 3.1 |
| Rychlost při 3,7 V [s/60st.] | 0.125 |
| Rychlost při 4,8 V [s/60st.] | 0.11 |
| Rychlost při 6,0 V [s/60st.] | 0.085 |
| Rychlost při 7,4 V [s/60st.] | 0.068 |
| Rychlost při 8,2 V [s/60st.] | 0.06 |
| Šířka řídícího impulsu v neutrálu [µs] | 1520 |
| Opakovací frekvence [Hz] | 333 |
| Pásmo necitlivosti [ms] | 0.001 |
| Převody serva | Kovové |
| Kuličková ložiska | Žádné |
| Highvoltage | Ano |
| Napájení [V] | 3.5 - 8.4 |
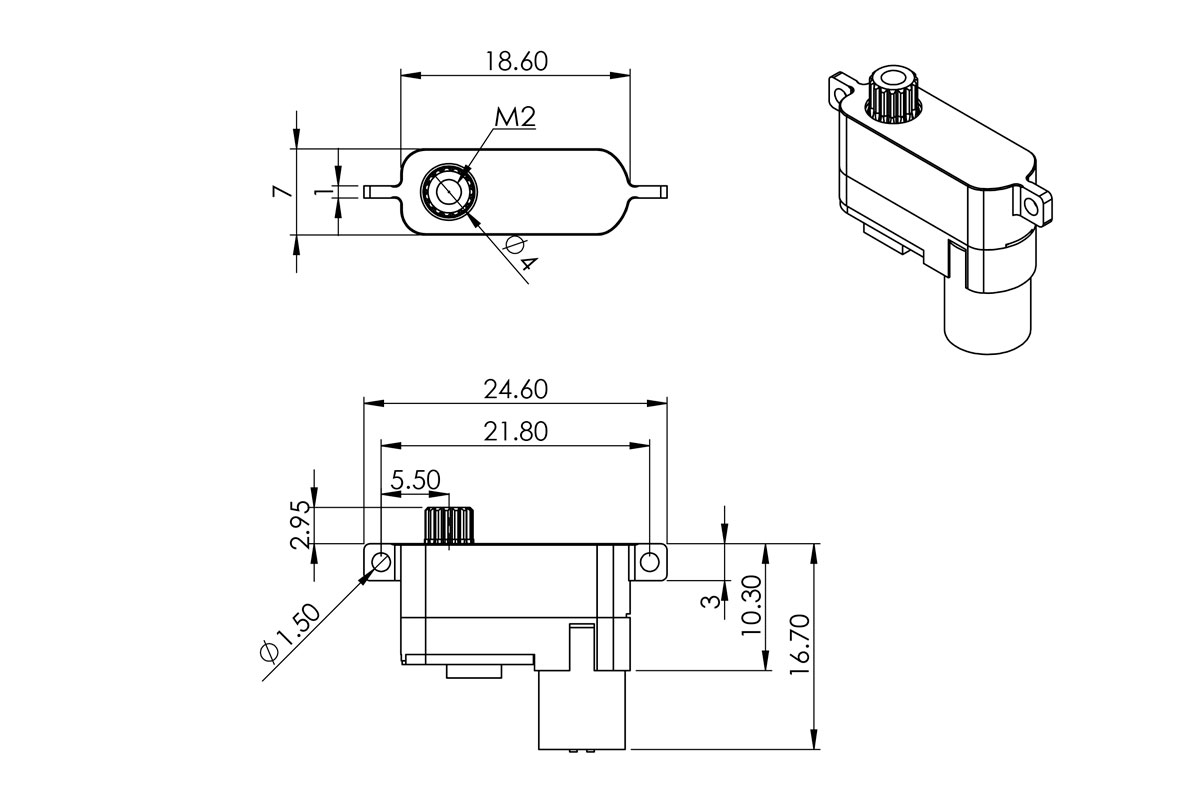
| Délka [mm] | 18.6 |
| Šířka [mm] | 7 |
| Výška [mm] | 16.7 |
| Hmotnost [g] | 5.4 |
| Určeno pro | Letadla |
| Typ motoru serva | HV Coreless |



