Novinky
03.12.2025
TRX-4 Nissan Pathfinder 1988 1:10 RTR
Novinka od Traxxas u nás na prodejně. TRX-4 Nissan Pathfinder 1988 1:10 RTR
Expediční RC model auta TRX-4 v měřítku 1:10 s detailní bezsponkovou a of...
číst celé
10.05.2023
Eshop v novém
Přávě jsme rozběhli novou verzi eshopu www.reichard.cz . Jsme rádi, že vám po dlouhé době nabídneme mnohem přehlednější a pohodlnější nakupování.
číst celé
Blog
01.11.2024
Lipol baterie Robbe
S radostí Vám představujeme Li-Pol baterie Robbe, které nově nabízíme u nás na prodejně. Rozšířili jsme sortiment.
číst celé
HBL680SL (0.045s/60°, 9,5kg.cm)
- Kompletní specifikace
- Hodnocení 0
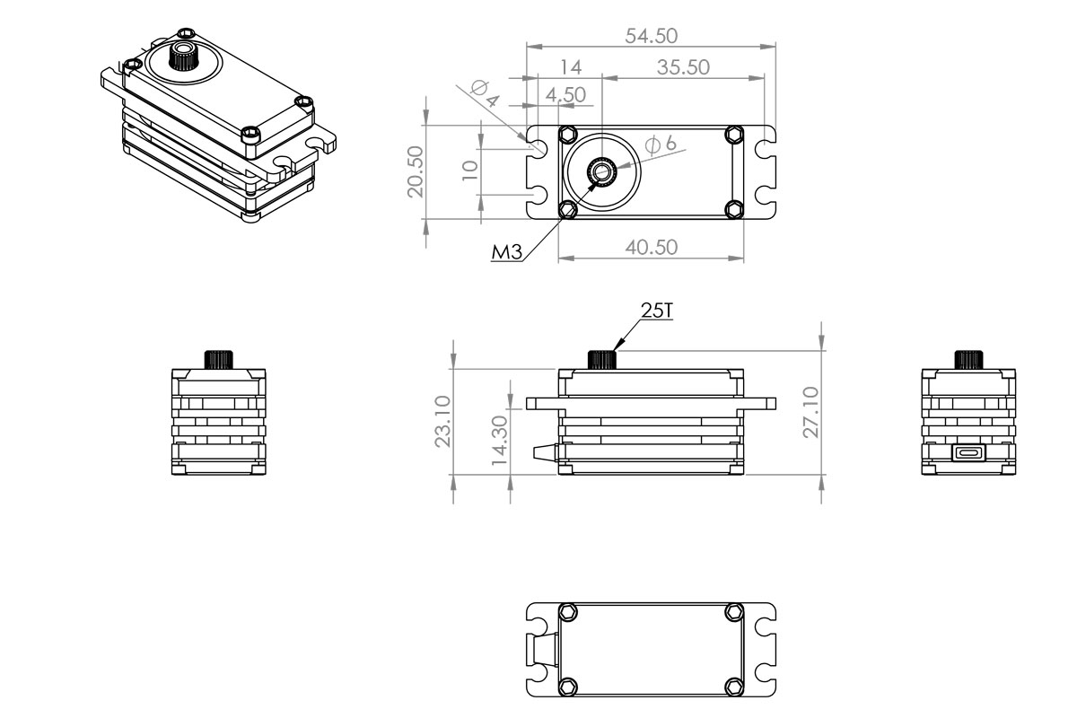
HBL680SL (0.045s/60°, 9,5kg.cm)dostupné do 3 dnů > 5 ks4 390 Kč/ ks3 628 Kč bez DPH
Kompletní specifikace
Silné a ultra rychlé digitální úzkopásmové (760µs) digitální nízkoprofilové standardní servo 54g se střídavým motorem a kovovými převody s rozsahem napájecího napětí 6,0-8,4V, 2xBB. Ideální pro vyrovnávací rotory vrtulníků velikosti 550-700, kompatibilní s většinou 760µs gyroskopů a flybarless jednotek. Tah 7,0kg.cm, rychlost 0,056s/60° při 6,0V, tah 8,6kg.cm, rychlost 0,045s/60° při 7,4V, tah 9,5kg.cm, rychlost 0,041s/60° při 8,2V. Rozměry 40,5x20,5x23,1mm, hmotnost 54g. Hliníková krabička se žebrovanou střední částí pro dokonalé chlazení. Není programovatelné.
Silné a ultra rychlé úzkopásmové (760µs) digitální nízkoprofilové standardní servo se střídavým motorem, kovovými převody a výstupní hřídelí uloženou na dvou kuličkových ložiscích. Ideální pro vyrovnávací rotory vrtulníků velikosti 550-700, kompatibilní s většinou 760µs gyroskopů a flybarless jednotek. Pro dokonalé chlazení i při velmi vysokém zatížení je servo uloženo v hliníkové krabičce se žebrovanou střední částí. Servo není programovatelné.
Napájecí napětí 6,0-7,4 V (jmenovité), provozní 4,8-8,4 V.
| Velikost serva | Standard |
| Typ serva | Digitální |
| Programovatelný | Ne |
| Tah při 6,0 V [kg∙cm] | 7 |
| Tah při 7,4 V [kg∙cm] | 8.6 |
| Tah při 8,2 V [kg∙cm] | 9.5 |
| Rychlost při 6,0 V [s/60st.] | 0.056 |
| Rychlost při 7,4 V [s/60st.] | 0.045 |
| Rychlost při 8,2 V [s/60st.] | 0.041 |
| Šířka řídícího impulsu v neutrálu [µs] | 760 |
| Opakovací frekvence [Hz] | 560 |
| Pásmo necitlivosti [ms] | 0.0004 |
| Převody serva | Kovové |
| Kuličková ložiska | 2× |
| Highvoltage | Ano |
| Napájení [V] | 6 - 8.4 |
| Délka [mm] | 40.5 |
| Šířka [mm] | 20.5 |
| Výška [mm] | 23.1 |
| Hmotnost [g] | 54 |
| Určeno pro | Vrtulníky |
| Typ motoru serva | Brushless |



