- Úvod
- Elektromotory
- Střídavé
- Letecké
- Modely do 0,5kg
- AXI 2203/RACE SAVER V2 střídavý motor
AXI 2203/RACE SAVER V2 střídavý motor
- Kompletní specifikace
- Hodnocení 0
AXI 2203/RACE SAVER V2 střídavý motordostupné do 3 dnů 1 ks1 559 Kč/ ks1 288 Kč bez DPH
Nová generace motorů AXI V2 má vyšší výkon díky svému propracovanému designu, který ve spojení s integrovaným chladícím systémem na principu turbínového efektu proudění vzduchu udržuje vinutí motoru chladnější až o 20%.
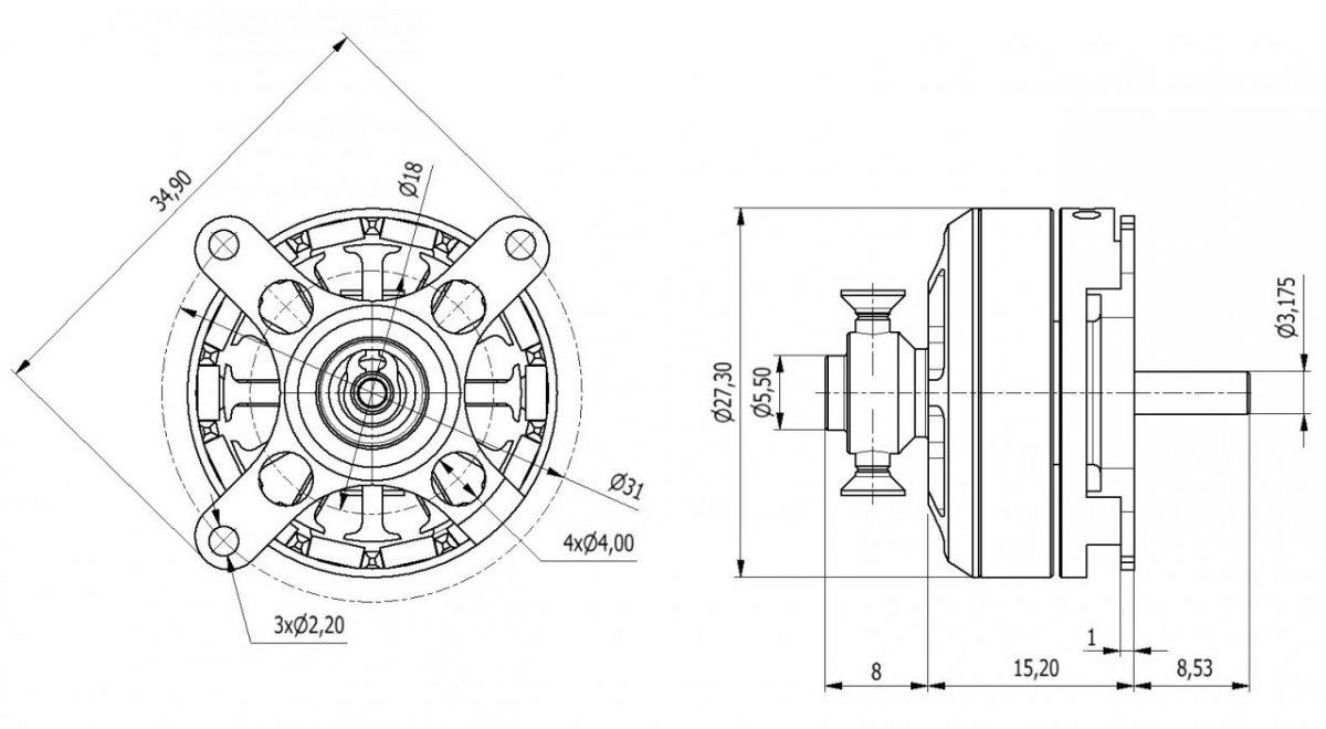
Robustní a spolehlivé vysokovýkonné střídavé motory řady AXI 2203/xx V2 s otočným pláštěm a neodymovými magnety mají kalenou hřídel o průměru 3,17 mm uloženou ve dvou kuličkových ložiscích, která zajišťují velmi dobrou mechanickou stabilitu. Hřídel je opatřena gumičkovým unašečem; motory jsou konstruovány pro zadní montáž na patky, které jsou součástí předního čela (s vyjímkou AXI 2203/RACE V2). Rotory motorů řady AXI 2203/xx V2 jsou vyváženy na nejmodernějším dynamickém vyvažovacím zařízení od renomované společnosti Schenck. Kvalitní japonská ložiska, dodávaná do motorů řady V2 se vyznačují vyšší životností a tichým chodem.
Motory řady AXI 2203/xx V2 jsou díky svému velkému kroutícímu momentu vhodné pro přímý pohon velkých vrtulí bez nutnosti použít převodovku, což zajišťuje velmi dobrou účinnost celého pohonu.
| Systém označování motorů: AXI xxYY/zz |
| xx - průměr statoru v mm |
| YY - délka statoru v mm |
| zz - počet závitů |
AXI 2203/RACE SAVER V2 je miniaturní střídavý motor s gumičkovým unašečem vrtule učený pro pohon malých rychlých modelů s letovou hmotností do 220 g s napájením z dvoučlánkového akumulátoru Li-poly. Motor byl speciálně vyvinut pro rychlé halové akrobatické modely kategorie AIR RACE do 170 g.
Montáž motoru: AXI 2203/RACE SAVER V2 je konstruován pro přední montáž s pomocí trojice patek na předním čelu. Motorová přepážka by měla být z 1-1,5 mm letecké překližky.
Sada motoru obsahuje: motor AXI 2203/RACE SAVER V2 s kabely, příslušenství gumičkového unašeče, návod.
| Napájení LiXX článků | 2 |
| Otáčky na volt [ot./min/V] | 2300 |
| Vnitřní odpor [mOhm] | 220 |
| Proud naprázdno [mA] | 550 |
| Max. účinnost [%] | 75 |
| Proud při max. účinnosti (η>69%) [A] | 3 - 7.5 |
| Max. špičkový proud (20 s) [A] | 10 |
| Max. výkon [W] | 62 |
| Průměr [mm] | 27.7 |
| Délka [mm] | 21 |
| Průměr hřídele [mm] | 3.17 |
| Hmotnost [g] | 19 |
| Počet pólů | 14 |
| Časování [°] | 15 - 25 |
| Regulátor [A] | 10 - 12 |
| Akrobat do hmotnosti [g] | 170 |
| Doporučená vrtule | 2S: 7x3,5" |




